企业实力
产品中心
解决方案
应用案例
技术支持
联系我们
商城
淘宝
1688 国际站
京东
中文
|
English
在线发布询价
18673625585
18673625805
企业实力
产品中心
解决方案
应用案例
技术支持
联系我们
商城
淘宝
1688 国际站
京东
中文
|
English
询价
18673625585 18673625805
首页
>>
产品中心
>>
网络连接器
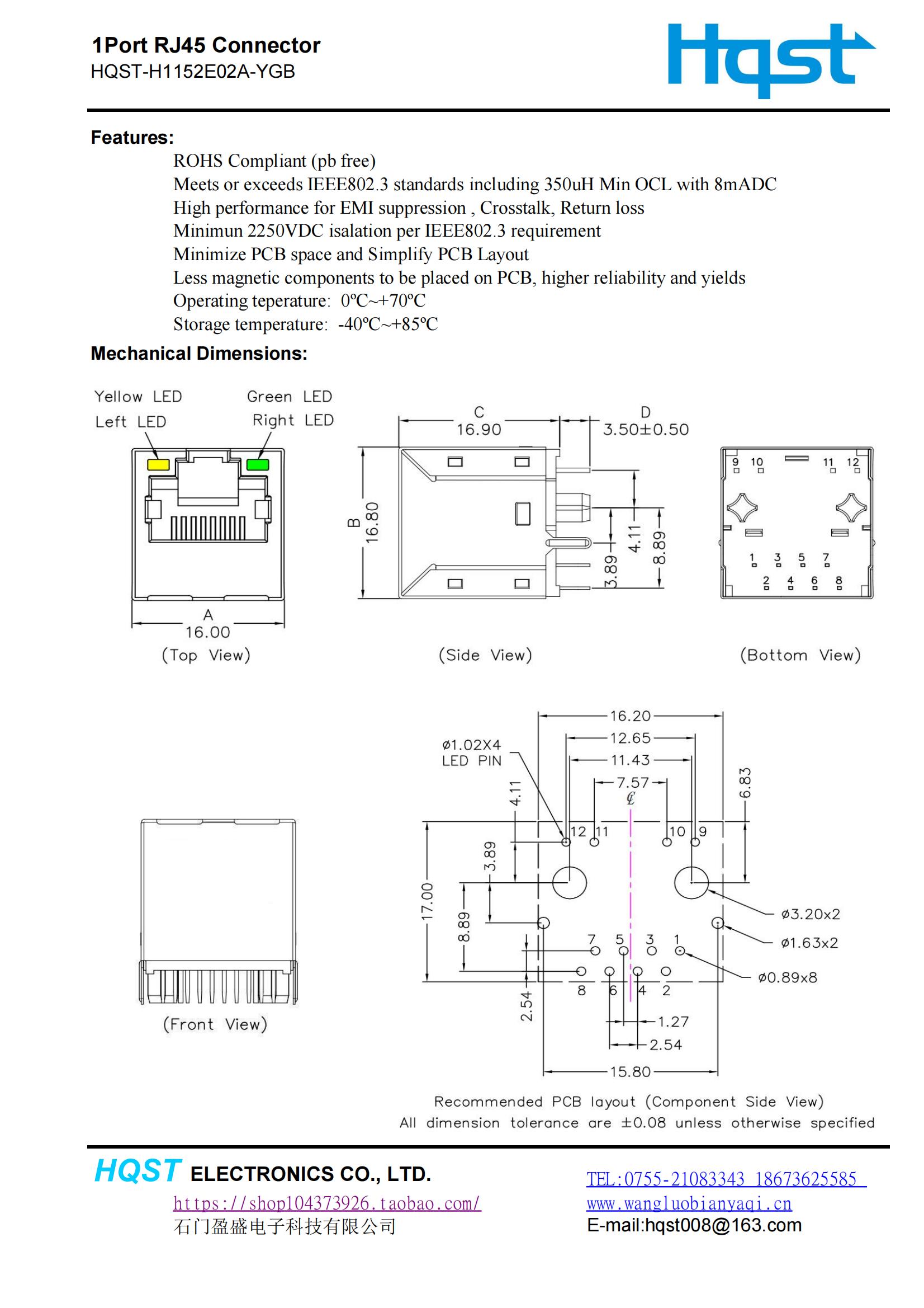
H1152E02A-YG/GY
内置百兆网口,RJ45内置百兆,内置变压器,HR935310A
数据文件
下载
立即购买
关于此类产品
客服电话
0755-21083343
18673625585 18673625805
详情信息
相关产品
多
全系列网络通讯元件,产品任意定制
快
3大生产基地,发货快交期准
好
全自动设备产品检测,保障品牌建设
省
内地工厂,成本低价格优